Talplemezes csavar melynek feje egy furatokkal és menettel kialakított hat lap, így biztosítva a különböző építmények rögzítését. Terhelhetősége: 300- 7250 kg Lehajtása 100cm-ig kézi erővel, a hosszabb méretek esetén géppel lehetséges. Alkalmazása: fa és acél könnyűszerkezetes épület, csarnok, sátor, konténer, szerkezet, gép, garázs, lépcső, híd, napelem, szobor, stég, a legsokoldalúbb alapozására alkalmazható.
Talajcsavar DRT M 76 X 800 X 2,5 - M12
Teherbírás (függőleges): 950 kg.
Rögzítési lehetőség: A talplemezes csavar fején furatokkal és a középpontjában 1 db M12 menet
Telepítési mód: Kézi és gépi behajtás
Alkalmazhatóság: Fa és acél könnyűszerkezetes épület, garázs, lépcső alapozására alkalmazható talajcsavar.
Saját tömeg: 4,3 kg.
Bruttó ár: 12.900 Ft.
Talajcsavar DRT M 76 X 1000 X 2,5 - M12
Teherbírás (függőleges): 1650 kg.
Rögzítési lehetőség: A talplemezes csavar fején furatokkal és a középpontjában 1 db M12 menet
Telepítési mód: Kézi és gépi behajtás
Alkalmazhatóság: Fa és acél könnyűszerkezetes épület, garázs, lépcső, konténer, csarnok, sátor, szerkezet, gép alapozására alkalmazható talajcsavar.
Saját tömeg: 5,8 kg.
Bruttó ár: 14.900 Ft.
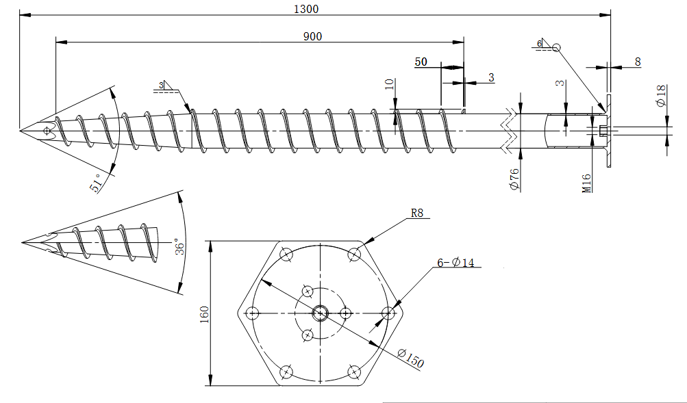
Talajcsavar DRT M 76 X 1300 X 3 - M16
Teherbírás (függőleges): 1500 kg.
Rögzítési lehetőség: A talplemezes csavar fején furatokkal és a középpontjában 1 db M16 menet
Telepítési mód: Kézi és gépi behajtás
Alkalmazhatóság: Fa és acél könnyűszerkezetes épület, garázs, lépcső, konténer, csarnok, sátor, szerkezet, gép, napelem alapozására alkalmazható talajcsavar.
Saját tömeg: 9,5 kg.
Brottó ár: 18.500 Ft.
Talajcsavar DRT M 76 X 1600 X 3 - M16
Teherbírás (függőleges): 2500 kg.
Rögzítési lehetőség: A talplemezes csavar fején furatokkal és a középpontjában 1 db M16 menet
Telepítési mód: Gépi lehajtás
Alkalmazhatóság: Fa és acél könnyűszerkezetes épület, garázs, lépcső, konténer, csarnok, sátor, szerkezet, gép, napelem alapozására alkalmazható talajcsavar.
Saját tömeg: 11,0 kg.
Bruttó ár: 25.500 Ft.
Talajcsavar DRT M 76 X 2100 X 3,5 - M16
Teherbírás (függőleges): 3500 kg.
Rögzítési lehetőség: A talplemezes csavar fején furatokkal és a középpontjában 1 db M16 menet
Telepítési mód: Gépi lehajtás
Alkalmazhatóság: Fa és acél könnyűszerkezetes épület, garázs, lépcső, konténer, csarnok, sátor, szerkezet, gép, napelem alapozására alkalmazható talajcsavar.
Saját tömeg: 15,5 kg.
Bruttó ár: 32.500 Ft.
Talajcsavar - KSF M 76x800 - M12
Teherbírás (függőleges): 1350 kg.
Rögzítési lehetőség: A talplemezes csavar fején furatokkal és a középpontjában 1 db M12 menet
Telepítési mód: Kézi és gépi behajtás
Alkalmazhatóság: Fa és acél könnyűszerkezetes épület, garázs, lépcső alapozására alkalmazható talajcsavar.
Saját tömeg: 4,3 kg.
Bruttó ár: 26.800 Ft.
Talajcsavar - KSF M 76x1000 - M12
Teherbírás (függőleges): 1650 kg.
Rögzítési lehetőség: A talplemezes csavar fején furatokkal és a középpontjában 1 db M12 menet
Telepítési mód: Gépi lehajtás
Alkalmazhatóság: Fa és acél könnyűszerkezetes épület, garázs, lépcső, konténer, csarnok, sátor, szerkezet, gép alapozására alkalmazható talajcsavar.
Saját tömeg: 5,8 kg.
Bruttó ár: 29.300 Ft.
Talajcsavar - KSF M 76x1300 - M12
Teherbírás (függőleges): 1850 kg.
Rögzítési lehetőség: A talplemezes csavar fején furatokkal és a középpontjában 1 db M12 menet
Telepítési mód: Gépi lehajtás
Alkalmazhatóság: Fa és acél könnyűszerkezetes épület, garázs, lépcső, konténer, csarnok, sátor, szerkezet, gép, napelem alapozására alkalmazható talajcsavar.
Saját tömeg: 7,1 kg.
Bruttó ár: 32.990 Ft.
Talajcsavar - KSF M 76x1300 - M16
Teherbírás (függőleges): 2500 kg.
Rögzítési lehetőség: A talplemezes csavar fején furatokkal és a középpontjában 1 db M16 menet
Telepítési mód: Gépi lehajtás
Alkalmazhatóság: Fa és acél könnyűszerkezetes épület, garázs, lépcső, konténer, csarnok, sátor, szerkezet, gép, napelem alapozására alkalmazható talajcsavar.
Saját tömeg: 9,5 kg.
Bruttó ár: 49.990 Ft.
Talajcsavar - KSF M 76x1600 - M16
Teherbírás (függőleges): 3500 kg.
Rögzítési lehetőség: A talplemezes csavar fején furatokkal és a középpontjában 1 db M16 menet
Telepítési mód: Gépi lehajtás
Alkalmazhatóság: Fa és acél könnyűszerkezetes épület, garázs, lépcső, konténer, csarnok, sátor, szerkezet, gép, napelem alapozására alkalmazható talajcsavar.
Saját tömeg: 11,0 kg.
Bruttó ár: 49.530 Ft.
Talajcsavar - KSF M 76x2100 - M16
Teherbírás (függőleges): 4500 kg.
Rögzítési lehetőség: A talplemezes csavar fején furatokkal és a középpontjában 1 db M16 menet
Telepítési mód: Gépi lehajtás
Alkalmazhatóság: Fa és acél könnyűszerkezetes épület, garázs, lépcső, konténer, csarnok, sátor, szerkezet, gép, napelem alapozására alkalmazható talajcsavar.
Saját tömeg: 15,5 kg.
Bruttó ár: 63.990 Ft.
Talajcsavar - KSF M 89x1300 - M24
Teherbírás (függőleges): 3000 kg.
Rögzítési lehetőség: A talplemezes csavar fején furatokkal és a középpontjában 1 db M24 menet
Telepítési mód: Gépi lehajtás
Alkalmazhatóság: Fa és acél könnyűszerkezetes épület, garázs, lépcső, konténer, csarnok, sátor, szerkezet, gép, napelem alapozására alkalmazható talajcsavar.
Saját tömeg: 12,0 kg.
Bruttó ár: 74.500 Ft.
Talajcsavar - KSF M 89x1600 - M24
Teherbírás (függőleges): 4100 kg.
Rögzítési lehetőség: A talplemezes csavar fején furatokkal és a középpontjában 1 db M24 menet
Telepítési mód: Gépi lehajtás
Alkalmazhatóság: Fa és acél könnyűszerkezetes épület, garázs, lépcső, konténer, csarnok, sátor, szerkezet, gép, napelem alapozására alkalmazható talajcsavar.
Saját tömeg: 14,0 kg.
Bruttó ár: 74.500 Ft.
Talajcsavar - KSF M 89x2100 - M24
Teherbírás (függőleges): 5500 kg.
Rögzítési lehetőség: A talplemezes csavar fején furatokkal és a középpontjában 1 db M24 menet
Telepítési mód: Gépi lehajtás
Alkalmazhatóság: Fa és acél könnyűszerkezetes épület, garázs, lépcső, konténer, csarnok, sátor, szerkezet, gép, napelem alapozására alkalmazható talajcsavar.
Saját tömeg: 19,0 kg.
Bruttó ár: 82.470 Ft.
Talajcsavar - KSF M 114x1300 - M24
Teherbírás (függőleges): 3500 kg.
Rögzítési lehetőség: A talplemezes csavar fején furatokkal és a középpontjában 1 dbM24 menet
Telepítési mód: Gépi lehajtás
Alkalmazhatóság: Fa és acél könnyűszerkezetes épület, garázs, lépcső, konténer, csarnok, sátor, szerkezet, gép, napelem alapozására alkalmazható talajcsavar.
Saját tömeg: 13,0 kg.
Bruttó ár: 85.000 Ft.
Talajcsavar - KSF M 114x1600 - M24
Teherbírás (függőleges): 4750 kg.
Rögzítési lehetőség: A talplemezes csavar fején furatokkal és a középpontjában 1 db M24 menet
Telepítési mód: Gépi lehajtás
Alkalmazhatóság: Fa és acél könnyűszerkezetes épület, garázs, lépcső, konténer, csarnok, sátor, szerkezet, gép, napelem alapozására alkalmazható talajcsavar.
Saját tömeg: 16,0 kg.
Bruttó ár: 94.000 Ft.
Talajcsavar - KSF M 114x2100 - M24
Teherbírás (függőleges): 6600 kg.
Rögzítési lehetőség: A talplemezes csavar fején furatokkal és a középpontjában 1 db M24 menet
Telepítési mód: Gépi lehajtás
Alkalmazhatóság: Fa és acél könnyűszerkezetes épület, garázs, lépcső, konténer, csarnok, sátor, szerkezet, gép, napelem alapozására alkalmazható talajcsavar.
Saját tömeg: 21,0 kg.
Bruttó ár: 106.300 Ft.
Talajcsavar - KSF M 140x2100 - M24
Teherbírás (függőleges): 7250 kg.
Rögzítési lehetőség: A talplemezes csavar fején furatokkal és a középpontjában 1db M24 menet
Telepítési mód: Gépi lehajtás
Alkalmazhatóság: Fa és acél könnyűszerkezetes épület, garázs, lépcső, konténer, csarnok, sátor, szerkezet, gép, napelem alapozására alkalmazható talajcsavar.
Saját tömeg: 26,0 kg.
Bruttó ár: 146.000 Ft.
A termékeknél feltüntetet teherbírási értékek hozzávetőlegesek, mert nagyban függenek a talaj teherbíró képességétől ezért, kizárólag az előzetes árajánlat készítésére használhatók! További információ:
